skip to content

Hamilton Kerr Institute

Fitzwilliam Museum
 

by Spike Bucklow

A crack pattern is not an intentional part of Old Master paintings, but develops over time as the painting responds to its environment (mainly to changes in relative humidity).

Environmental Conditions

A painting’s environment changes in many different ways whilst it is displayed, stored, bought and sold, restored, etc, and it is not possible to know the painting’s exact environmental history over a number of centuries.

The analysis of the crack pattern assumes that exact knowledge of a painting’s environmental history is unnecessary, it merely assumes that a painting has a predisposition to crack and that its predisposition will be more fully developed under some conditions and less fully developed under other conditions. The exact details of environmental history may therefore determine the extent of cracking, but not the predisposition to crack in a particular pattern. The concept of ‘pattern’ is relevant because a pattern is not a purely physical arrangement and neither is it a figment of the observer’s imagination – a pattern is a way in which some thing or some things can be perceived or ordered.

Craquelure and Attribution

Research undertaken by Spike Bucklow at the Hamilton Kerr Institute studied people’s perception of crack patterns. The research undertaken by Varley at the Cambridge University Engineering Department studied the pattern of cracks. Both came to the same conclusion – connoisseurs were justified in their claims that craquelure is a valuable clue in the attribution of paintings.

The idea that a crack pattern might be diagnostic of the materials chosen by the artist and the way in which the artist used their materials relates a visual feature of the painted image to the way in which the painted object was constructed. A particular pattern of cracking will be produced consistently for objects made of the same materials assembled according to the same methods. Not all paintings are made with the same materials or according to the same methods, so crack patterns will differ. Of course, artists may not always work consistently with the same materials and methods so crack patterns alone are unreliable indicators of authorship.

The hypothesis that crack patterns can be used as unintentional ‘signatures’ for painters was tested by surveying the crack patterns of over 500 paintings. Areas of sky or flesh paint (which had high tonality paint, against which the cracks were easily visible) were photographed. The selected areas were small (20–30 cm2) and chosen to avoid cracks due to identifiable causes (such as impacts on canvas or splits in panels) and to reduce any visual clues in the paint layer (choosing homogenous passages with no stylistic clues). The paintings were selected to belong to artistic traditions that could be distinguished in terms of their materials and methods.

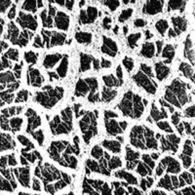
Crack patterns were collected from fourteenth and fifteenth century Italian panels, fifteen and sixteenth century Flemish panels, seventeenth century Dutch canvases and eighteenth century French canvases. Photographs of more than five hundred crack patterns were sorted and ten examples were chosen to represent each of the four art historic categories – Italian and Flemish panels, and Dutch and French canvases.

an example of ‘drying’ cracks   cracks typical of a Dutch painting       cracks exhibited by Flemish paintings     cracks typical of French style                 craquelure resultant of the Italian style       
Drying cracks Cracks typical of a Dutch painting Cracks exhibited by Flemish paintings Cracks typical of French style Craquelure resultant of the Italian style

The human visual perception of cracks

The process of sorting five hundred photos was undertaken using methods employed in the cognitive sciences for the development of ‘knowledge-based’ or ‘expert’ computer systems. These methods had, in turn, been adopted from experimental psychology where they were employed in the elicitation of individual mental models. The same and related methods were used to sort the set of forty photos, ten from each of the four categories.

Thirty people were asked to sort the photos of cracks into various categories (not into art historic categories). These people ranged from experts with decades of experience in the close examination of Old Master paintings to sixth-form college students with little or no experience of Old Master paintings. The answers given by these thirty people were correlated and subjected to statistical analysis using hierarchical, multi-dimensional, multivariate, clustering, etc. software packages.

The results of a statistical analysis of people’s sorting of crack patterns produced a number of findings.

  • Individually, people’s response to the patterns was consistent.
  • Collectively, people’s response to the patterns was consistent.
  • There was a statistically significant difference between patterns.
  • There was a correlation between patterns and art historic categories (~75%).
  • Patterns could be used to confirm or refute a category successfully (>90%).
  • Anomalous results (both false positives and false negatives) were instructive.

A pair-wise discrimination between art historic categories of 97% correct was obtained by studying homogeneous parts of paintings’ crack patterns and further attributional clues can be obtained by studying parts of the crack pattern that were precluded from the survey.

These findings supported the general claims of connoisseurs, and allowed some of their more specific claims to be qualified. A number of heuristic rules-of-thumb could be derived from the results although there is no suggestion that experts used such rules. The rules, however, can serve to guide the novice and direct their attention to more or less significant features of the complex crack pattern.

The statistical classification of cracks

The sub-set of forty crack patterns (ten from each category) was digitised and characterised by software that analysed the lines in terns of Bezier curve parameters. The Bezier curve parameter representations of the crack patterns were subjected to the same statistical analysis as the representation of the crack patterns generated by the thirty human observers. The results were broadly similar. A neural network classification achieved 61% success, discriminant analysis achieved a level of 82%, and the pair-wise average success rate was 94% correct.

This aspect of the research has subsequently been pursued in the field of machine vision by F. Abas, K. Martinez, and others.

Afterword

This work was undertaken towards a doctorate in the History of Art. (S. Bucklow, ‘Formal connoisseurship and the characterisation of craquelure’, unpublished PhD dissertation, University of Cambridge, 1996.) The data was also analysed for another doctoral dissertation submitted in Electrical Engineering. (A.J. Varley, ‘Statistical image methods for line detection’, unpublished PhD dissertation, University of Cambridge, 1999.)